新聞資訊
/行業新聞

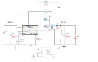
開關電源的主要電路由輸入、EMI(電磁干擾器)、整流濾波、功率變換、PWM控制電路、輸出等電路組成。 開關電源原理圖如下: 開關電源的工作原理是交流電(AC輸入)再整流成直流電(DC輸出);通過PWM(脈沖寬度調制)控制開關管;將直流加到開關變壓器初級;開關變壓器次級感應出高頻電壓;經整流濾波供給負載;;輸出通過一定的電…

新能源汽車隨著國家的推動,近年來發展快速,充電樁市場彰顯巨大價值的契機,緊接著充電樁引來大量投資者入手,全國興起一股新能源汽車和充電樁興建的風。人們從各市區各地建立充電站,為了更方便人們電動汽車充電,進而有人轉向了商業大廈、商業場所、住宅小區、家用等方向,引來一股熱潮。 電動汽車之所以一直銷售比較少,是因為與傳…

高頻開關電源是一種高頻化電能轉換裝置,又稱為交換式電源、開關變換器。同時也是逆變焊機、通訊電源、高頻加熱電源、激光器電源、電力操作電源等的核心技術,針對這些不同的應用領域,人們開發出了不同性能、不同要求、各種功率的電源。產品主要性能、不同參數有:額定輸出電壓、均充電壓、功率參數、工作效率、電壓精度、雜音電壓、浮充電壓等。 優點: 1、設計簡單、技…

模塊電源的作用解析: 1、隔離作用: 安全隔離:有強弱電隔離、IGBT隔離、浪涌隔離、雷電隔離等 噪聲隔離:有模擬電路與數字電路隔離、強弱信號隔離等 接地環路消除:有遠程信號傳輸、分布式電源系統等 2、保護作用: 有短路保護、過壓保護、欠壓保護、過流保護等 3、電壓變換作用: 有升壓變換、降壓變換、交直流轉換、極性變換等 4、穩壓作用: 有交流市電供電、…

電源模塊是電子行業的電源轉換裝置,具有模塊化設計、防潮、抗震動、可靠性高等優點,廣泛應用于電力、工業控制、儀器儀表、醫療電子、軌道交通、通訊通信、安防、軍工體系等領域。那么我們如何選擇合適的電源模塊呢? 電源模塊產品選擇要注意的因素: 1、額定功率 一般建議使用功率是模塊電源額定功率的30~80%。 2、工作頻率 一般工作頻率越高,…

EMC(電磁兼容性),是指電子設備不干擾其他設備也不受其他設備的影響。EMC設計主要有:電磁屏蔽方法、電路的濾波技術、元件搭配的接地設計。 開關電源的EMC設計有: 1、盡量減小電源本身所產生的干擾源,利用抑制干擾的方法或產生干擾較小的元器件和電路,并進行合理布局, 2、通過接地、濾波、屏蔽等技術抑制電源的EMI以及提高電源的EMS。  …

什么是開關電源: 開關電源是將交流電先整流成直流電,再將直流電變成交流電,再整流成直流電壓輸出。它可以將元器件進行模塊化封裝,從而形成體積更小,功率更高的模塊電源。 開關電源電路圖: 什么是線性電源: 線性電源是將交流電經過變壓器變壓,再整流得到未穩定的直流電壓輸出,線性電源比開關電源多了變壓器和電壓反饋電路。 線性電源…

2017年,北京市醫療健康產業共發生投資案例218起,投資金額約191.09億人民幣。國家發改委辦公廳印發的《增強制造業核心競爭力三年行動計劃(2018-2020年》中提到了《高端醫療器械和藥品關鍵技術產業化實施方案》,明確表示要重點支持5大類醫療器械發展,填補國內高端醫療器械領域的空白,縮小與國際先進水平差距。 &nbs…

隔離電源:隔離電源是指通過變壓器將高電壓降為低電壓,并整流成直流電。轉換過程因為沒有和大地連接,所以不會有觸電危險,應用中較安全,但設計比非隔離電源要復雜。 優點: 1、安全性高 2、抗干擾能力強 3、容易實現升壓轉換、多路輸出 4、輸入電壓范圍較寬 缺點: 1、轉換效率低 2、體積較大 3、設計復雜、成本高 應用場合: 1、在壞境較差的場合,需要電源抗…

北京市今天正式啟用新能源汽車專用號牌,至此,全國已有107個城市啟用新能源汽車專用號牌,覆蓋31個省、自治區、直轄市。 新號牌式樣體現“綠色、環保、科技”寓意,以綠色為主色調,增加了專用標識,采用新式樣、新材料、新工藝以及新的防偽技術。其中,小型新能源汽車專用號牌底色采用漸變綠色,大型新能源汽車專用號牌底色采用…