新聞資訊
/行業新聞
一、霍爾開關原理--簡介
霍爾開關(Hall switch)又稱霍爾數字電路,是一種新型的電器配件,由反向電壓保護器、精密電壓調節器、霍爾電壓發生器、差分放大器、施密特觸發器、溫度補償器和互補型集電極開路輸出器等七部分組成,具有無觸點、低功耗、長使用壽命、響應頻率高等特點,內部采用環氧樹脂封灌成一體化,能在各類惡劣環境下可靠的工作。該電路由于具有高達400 mA的負載能力,并且是互補型輸出,因此,它是無刷風扇最理想的器件。
二、霍爾開關--原理
霍爾效應說的是當一塊通有電流的金屬或半導體薄片垂直地放在磁場中時,薄片的兩端就會產生電位差的現象,兩端具有的電位差值稱為霍爾電勢U,其表達式為:U=KIB/d
式中,K為霍爾系數,I為薄片中通過的電流,B為外加磁場的磁感應強度,d是薄片的厚度。
霍爾開關屬于有源磁電轉換器件,它是在霍爾效應原理的基礎上,利用集成封裝和組裝工藝制作而成,可方便的把磁輸入信號轉換成實際應用中的電信號,同時,又可滿足工業場合實際應用中易操作和可靠性的要求。
在外磁場的作用下,當磁感應強度超過導通閾值BOP 時,霍爾電路輸出管導通,輸出低電平。之后B 再增加,電路仍保持導通態。若外加磁場的B 值降低到BRP 時,輸出管截止,輸出高電平。我們稱BOP 為工作點,BRP 為釋放點,BOP-BRP=BH 稱為回差。回差的存在使開關電路的抗干擾能力增強。
三、霍爾開關--原理結構
霍爾開關電路由反向電壓保護器、精密電壓調節器、霍爾電壓發生器、差分放大器、施密特觸發器、溫度補償器和互補型集電極開路輸出器等七部分組成。下面我們簡單介紹一下各部分的功能。
電壓調節器:當電源電壓從3.5V~20V變化時,保證該電路正常工作。
反向保護器:當應用電源反接或在使用過程中受到反向脈沖電壓的干擾時,對電路起保護作用,保護電壓可達30V;
霍爾電壓發生器:將變化的磁信號轉換成相應的電信號。
差分放大器:將霍爾電壓發生器輸出的微弱電壓信號放大。
施密特觸發器:將差分放大器輸出的模擬信號轉換成數字信號。
溫度補償器:確保集成電路在-20℃~+85℃之間可靠地工作。
互補輸出器:輸出電流可直接驅動無刷風機的兩組繞組。
由上圖可知,當無刷風機接通電源時,若霍爾電壓發生器受到交變磁場的作用,輸出端②和③的電位狀態也隨著發生變化,從而改變負載電流的方向,使風機正常運轉。
四、霍爾開關--分類
1、單極霍爾效應開關(數字輸出)
單極霍爾效應開關具有磁性工作閾值 (Bop)。如果霍爾單元承受的磁通密度大于工作閾值,那么輸出晶體管將開啟;當磁通密度降至低于工作閾值 (Brp) 時,晶體管會關閉。滯后 (Bhys) 是兩個閾值 (Bop-Brp) 之間的差額。即使存在外部機械振動及電氣噪音,此內置滯后頁可實現輸出的凈切換。單極霍爾效應的數字輸出可適應各種邏輯系統。這些器件非常適合與簡單的磁棒或磁桿一同使用。單極性霍爾開關它的正反面會各指定一個磁極感應才會有作用,在具體應用當中應該注意磁鐵的磁極的安裝,反了就會造成單極性不感應輸出。
2、雙極霍爾效應開關(數字輸出)
雙極性霍爾具體又分雙極性不帶鎖存型霍爾開關和雙極性鎖存型霍爾開關。
雙極霍爾效應開關通常在南極磁場強度足夠的情況下打開,并在北極磁場強度足夠的情況下關閉,但如果磁場被移除,則是隨機輸出,有可能是打開,也有可能是關閉。雙極鎖存型霍爾效應開關通常在南極磁場強度足夠的情況下打開,并在北極磁場強度足夠的情況下關閉,但如果磁場被移除,不會更改輸出狀態。這些霍爾效應開關可使用南北交變磁場、多極環磁鐵進行磁驅動。
3、雙極鎖存型霍爾效應開關(數字輸出)
當置于n極(或s極)時開啟,磁場移除后繼續保持開啟;而只有當置于s極(或n極)時才會關閉,磁場移除后繼續保持其開啟或關閉狀態,直到下次磁場改變。這種保持上次狀態的特性即鎖存特性,這種類型的霍爾效益開關即雙極鎖存型霍爾效應開關。
4、全極霍爾效應開關(數字輸出)
與其他霍爾效應開關不同,只要存在強度足夠大的北極或南極磁場,這些器件就能打開;而在沒有磁場的時候,輸出會關閉。
5、線性霍爾效應傳感器 IC(模擬輸出)
線性霍爾效應傳感器 IC 的電壓輸出會精確跟蹤磁通密度的變化。在靜態(無磁場)時,從理論上講,輸出應等于在工作電壓及工作溫度范圍內的電源電壓的一半。增加南極磁場將增加來自其靜態電壓的電壓。相反,增加北極磁場將增加來自其靜態電壓的電壓。這些部件可測量電流的角、接近性、運動及磁通量。它們能夠以磁力驅動的方式反映機械事件。
6、微功耗型霍爾效應開關(數字輸出)
隨著手機、筆記本電腦、DV等便攜式設備的普及,對霍爾IC的功耗提出要求,由此產生了一大類新的霍爾IC。它是數字霍爾IC按功耗單獨分出的一類,其內部采用休眠機制降低功耗,平均功耗可以達到uA級。它也可按功能分為單級型霍爾IC、鎖定型霍爾IC、和全級霍爾IC三類。這類一般用于電池長期供電的系統。
五、霍爾開關--失效鑒定
給您一個簡單的方法:霍爾面向自己(印章面),管腳向下,從左到右分別為:正極(開關霍爾4.5V到24V,線性霍爾5V)、負極、輸岀(信號),在正極和輸出接電阻(1到10K)。在負極和輸出間接一個發光二極管(或用萬用表測量電壓,高電平等于電源電壓低電平約等于零)。接電后用磁鐵靠近或遠離霍爾可以看到發光二極管是否發光變化。如有變化就好的,沒變化就是壞的。
六、霍爾開關--單極開關電路(OH137)
霍爾開關分為單極開關和雙極開關,下面OH137為單極開關,雙極開關可在網上查詢下OH413,OH41等,作為參考電腦,具體詳情請看如下↓。
OH137 霍爾開關電路是為了適用客戶低成本高性能要求開發生產的系 列產品,其應用領域廣泛,性能可靠穩定。電路內部由反向電壓保護器、電 壓調整器,霍爾電壓發生器,差分放大器,史密特觸發器和集電極開路輸出 級組成,能將變化的磁場訊號轉換成數字電壓輸出。
典型應用領域:直流無刷電機、家用電器、縫紉設備、紡織機械、編碼器、安全報警裝置等 自動化控制領域。
極限參數:(TA=25℃)
電源電壓 VCC···························4.5-24V
輸出負載電流 IO···················25mA
工作溫度范圍 TA ···············-40~85℃
貯存溫度范圍 TS ················-55~150℃
磁特性: (VCC=4.5~24V) 1mT=10GS

測試電路
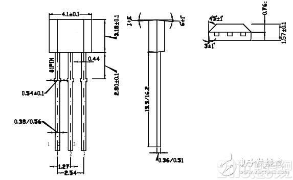
外型尺寸圖:
七、霍爾開關--集成傳感器的應用
霍爾開關集成傳感器的基本用途包括以下一些領域:點火系統、保安系統、轉速、里程測定、機械設備的限位開關、按鈕開關、電流的測定與控制、位置及角度的檢測,等等。
(1)霍爾式轉速傳感器。圖8-30示出了幾種霍爾式轉速傳感器的結構。
(2)霍爾計數裝置。圖8-31示出了霍爾傳感器對鋼球計數的裝置的工作原理示意圖及電路圖。
因為鋼球為強磁性物體,所以在裝置中將水久磁鐵固定當有鋼球滾過時,磁場就發生一次變化,傳感器輸出的霍爾電壓也變化一次,這相當于愉出一個脈沖,該脈沖信號經運算放大器放大后。送人三極管的基極,三極管便導通一次,在三極管的集電極上接一個計數器,即可對滾過的鋼球計數。
(3)霍爾接近開關(圖8-32)。運動部件上裝有一塊永久磁鐵,它的軸線與傳感器的軸線處在同一直線上。當磁鐵隨運動部件移動到距傳感器幾毫米至兒十毫米(由設計確定)時,傳感器的輸出由高電平變為低電平,經驅動電路使繼電器吸合或釋放,運動部件停止。